Products
News
更新時間:2020-10-30

| 公稱通徑 | DN10~150mm | |
|---|---|---|
| 公稱壓力 | PN1.6 2.5 4.0 MPa (高壓可定制) | |
| 泄漏量 | 軟密封:零泄漏 | 硬密封:≤額定流量的10-5 |
| 執行機構 | 可另配PSQ、HQ、UNIC、361RS等系列電子式電動執行機構 | |
| 流量特性 | 快開特性 | |
| 可調范圍 | DN10-80 | DN100-150 |
| 250:1 | 350:1 | |
| 閥體形式 | 整體式鍛造、整體式鑄造 | |
| 連接形式 | 超薄法蘭式、對夾式 | |
| 閥芯形式 | "O"型球形閥芯 | |
| 密封填料 | V型聚四氟乙烯填料、柔性石墨填料等 | |
| 適用溫度 | 密封面 | |
| PTFE≤180℃、PPL≤300℃、硬密封≤450℃ | ||
| 配置執行器型號 | GT、SR、ST、AT、AW系列單雙作用氣動執行器 | |
| 控制方式 | 開關兩位控制、4-20mA模擬量控制 | |
| 零件名稱 | 材料 | |||
|---|---|---|---|---|
| 閥體 | WCB | 304(CF8) | 316(CF8M) | 316L(CF3M) |
| 球體 | 2Cr13+氮化處理 | 304 | 316 | 316L |
| 閥桿 | 2Cr13 | 304 | 316 | 316L |
| 閥座密封圈 | PTFE(聚四氟乙烯)、PPL(對位聚苯)、金屬密封(硬質合金) | |||
| 填料 | V型PTFE四氟填料、柔性石墨 | |||
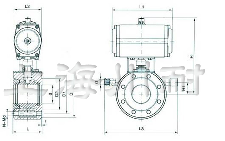
| 公稱通徑DN(mm) | L | D | D1 | D2 | n-Φd | H | L1 |
|---|---|---|---|---|---|---|---|
| 15 | 35 | 95 | 65 | 45 | 4-M12 | 185 | 130 |
| 20 | 38 | 105 | 75 | 55 | 4-M12 | 191 | 140 |
| 25 | 42 | 115 | 85 | 65 | 4-M12 | 193 | 150 |
| 32 | 50 | 135 | 100 | 78 | 4-M16 | 212 | 165 |
| 40 | 60 | 145 | 110 | 85 | 4-M16 | 217 | 180 |
| 50 | 70 | 160 | 125 | 100 | 4-M16 | 260 | 200 |
| 65 | 95 | 180 | 145 | 120 | 4-M16 | 293 | 220 |
| 80 | 118 | 195 | 160 | 135 | 8-M16 | 323 | 250 |
| 100 | 140 | 215 | 180 | 155 | 8-M16 | 382 | 280 |
| 125 | 175 | 245 | 210 | 185 | 8-M16 | 468 | 320 |
| 150 | 210 | 280 | 240 | 210 | 8-M16 | 510 | 360 |
